
TMP06B系列微型直流操作电源,适用于小型开闭所、小型用户变电站;采用嵌入式安装,适合分布于各电气设备内;具有安装灵活、占用空间小、接线简单、维护方便等优点。
1、宽范围输入AC100V-260V,高效率输出DC220V;
2、自冷散热,稳定可靠,适用性强;
3、MCU微型计算机核心控制管理,响应快、功能全;
4、新增涓流充电模式,不惧电池深度亏电;
5、模块化设计,智能仪表式显示,四键操作方便快捷;
6、可设定电池容量,精准限流充电延长蓄电池使用寿命;
7、完善的蓄电池保护和告警功能:电池接反保护、电池过放保护、电池欠压强启、电池活化管理、电池接错保护、过温告警与保护、输出过压保护、输出短路保护、充电接口短路保护;



交流输入电压:100~264VAC
频率:50Hz±10%
波形:正弦波,波形畸变<5%
功率要求:单台不小于300VA
运行功率:200W,120s;
可满足微机保护装置、指示灯、模拟指示器供电需要;由电池供电时,根据电池容量及负载参数可长达8~24小时。
短时运行功率:600W,8s;500W,30s;400W,60s;
可满足VS1、VD4、ZN21等大多数10KV系统弹操机构断路器,电动负荷开关储能供电需要。
功率消耗:装置本身消耗的功率不大于8W。
装置外接2节12V蓄电池,根据电池容量全自动智能均、浮充及活化管理。
当交流停电后给设备提供持续稳定的直流电源,具体备用时间由蓄电池容量和负载大小决定。
当蓄电池放电至欠压时装置发出报警信号,并为保护蓄电池自动停止直流输出,电池欠压保护后在紧急情况下可使用“强启”功能,让设备短时间正常运行。
当交流供电正常时,装置自动恢复直流供电并在24小时之内可将蓄电池重新充满。
通信速率:9600bps
规约采用MODBUS通信规约。
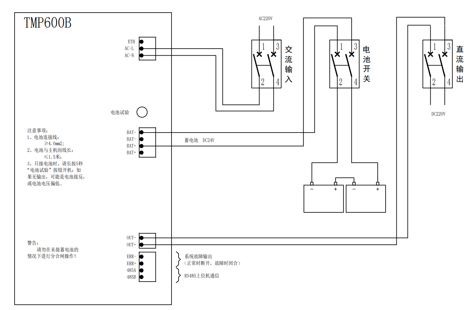
首先将TMP06B微型直流操作电源嵌入式安装于机柜上,紧固面板固定螺丝和后卡扣;在接线过程中建议配置交流输入和电池输入开关,便于检测维护。
根据端口定义连接交流输入、电池输入和输出,确认外部接线正确;
注意:电池连接线径必须≥4平方毫米,必须保证电池的正极、负极没有接反;
电池与主机之间的线长≤1.5米。
如果现场交流供电正常,合上交流输入开关、电池输入开关,装置立刻进入工作状态,此时装置开始对电池进行充电,同时提供直流输出。
如果现场暂时无交流电源,合上电池输入开关,长按“电池试验”3秒,可通过蓄电池给设备提供电源
特别说明:在交流供电正常,未接入蓄电池的情况下,请勿进行分合闸操作!


